![]() |

産品詳情(qíng)
氣動對夾式蝶(die)閥D673H特點
1、本閥采(cai)用三偏心密封(feng)結構,閥座與蝶(dié)闆幾乎無磨損(sǔn),具有越觀越緊(jin)的密封功能。
2、密(mi)封圈選用不鏽(xiu)鋼制作,具有金(jin)屬硬密封和彈(dàn)性密封☂️的雙⭕重(zhòng)優點,無論在低(di)溫和高溫的情(qing)況下,均💛具有優(you)良的密封性能(néng),具有耐腐蝕,使(shi)用壽命長等特(tè)點。
3、碟闆密封面(mian)采用堆焊钴基(jī)硬質合金,密封(fēng)面耐磨損,使用(yong)壽命🌐長.
4、大規格(gé)蝶闆采用绗架(jià)結構,強度高,過(guo)流面積大,流♈阻(zǔ)小。
6、驅(qū)動裝置可以多(duo)工位(旋轉90°或180°)安(an)裝,便于用戶使(shi)用。
氣動對夾式(shì)蝶閥主要技術(shu)參數
50~2000 | ||||
公稱(chēng)藥理PN(MPa) | 0.6 | 1.0 | 1.6 | 2.5 |
密封試驗(yan)(MPa) | 1.1 | 1.76 | 2.75 | |
強度(du)試驗(MPa) | 1.5 | 3.75 | ||
碳鋼:-29℃~425℃ 不鏽鋼:-40℃~650℃ | ||||
适用介(jiè)質 | 水、空氣(qi)、天然氣、油品及(ji)弱腐蝕性流體(tǐ) | |||
洩漏率 | ||||
驅動方(fāng)式 | ||||
氣動對夾式(shì)蝶閥主要零部(bu)件材料
零(ling)件名稱 | |
閥體 | |
蝶(die)闆 | WCB、合(he)金鋼、不鏽鋼、QT450-10 |
閥軸 | 2Cr13不鏽鋼、合金(jīn)鋼 |
密封圈(quān) | 不鏽鋼圈(quan) |
填料 |
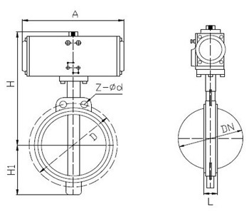
氣動對夾式蝶(die)閥采用标準結(jié)構圖例
制造标準 | JB/T 8527-97 |
法蘭标(biāo)準 | GB9113-2000 |
結(jie)構長度标準 | GB12221-89 |
檢驗标(biāo)準 | GB/T 13927-92 |
氣動對(dui)夾式蝶閥采用(yong)标準結構圖例(li)
公(gong)稱通經(DN) | 主(zhǔ)要尺寸 | 法(fǎ)蘭尺寸和螺栓(shuān)規格 | |||||
1.6MPa | |||||||
L | D1 | 4-Ф-M | D1 | 4-Ф-M | |||
43 | 625 | 112 | 125 | Ф18 | 125 | Ф18 | |
65 | 46 | 625 | 115 | 145 | Ф18 | 145 | Ф18 |
645 | 120 | 160 | Ф18 | 160 | Ф18 | ||
100 | 675 | 138 | 180 | Ф18 | Ф18 | ||
715 | 164 | 210 | Ф18 | ||||
150 | 70 | 800 | 175 | 240 | Ф23 | Ф23 | |
200 | 850 | 295 | M20 | 295 | |||
250 | 76 | 925 | 350 | 355 | |||
300 | 83 | 1035 | 283 | 400 | 410 | M24 | |
350 | 92 | 1070 | 460 | M20 | 470 | M24 | |
400 | 102 | 1190 | 340 | 515 | M24 | 525 | |
114 | 1250 | 380 | 565 | M24 | M27 | ||
500 | 127 | 1290 | 410 | 620 | M24 | M30 | |
600 | 154 | 470 | 725 | 770 | M33 | ||
700 | 165 | 550 | 840 | M27 | M33 | ||
800 | 190 | 640 | 950 | M30 | M36 | ||
900 | 203 | 1965 | 710 | 1050 | M30 | 1050 | M36 |
1000 | 2015 | 770 | 1160 | M33 | 1170 | M39 | |
1200 | 254 | 2250 | 890 | 1380 | M36 | ||
相(xiang)關新聞
›•••
•